|
|
| Author |
Message |
| hmmmnz |
This post is not being displayed .
|
 hmmmnz Super Spammer

Joined: 22 Aug 2006 Karma :   
|
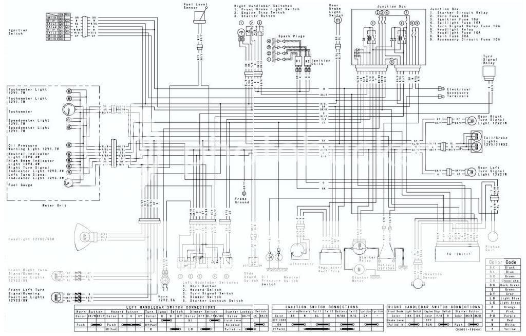
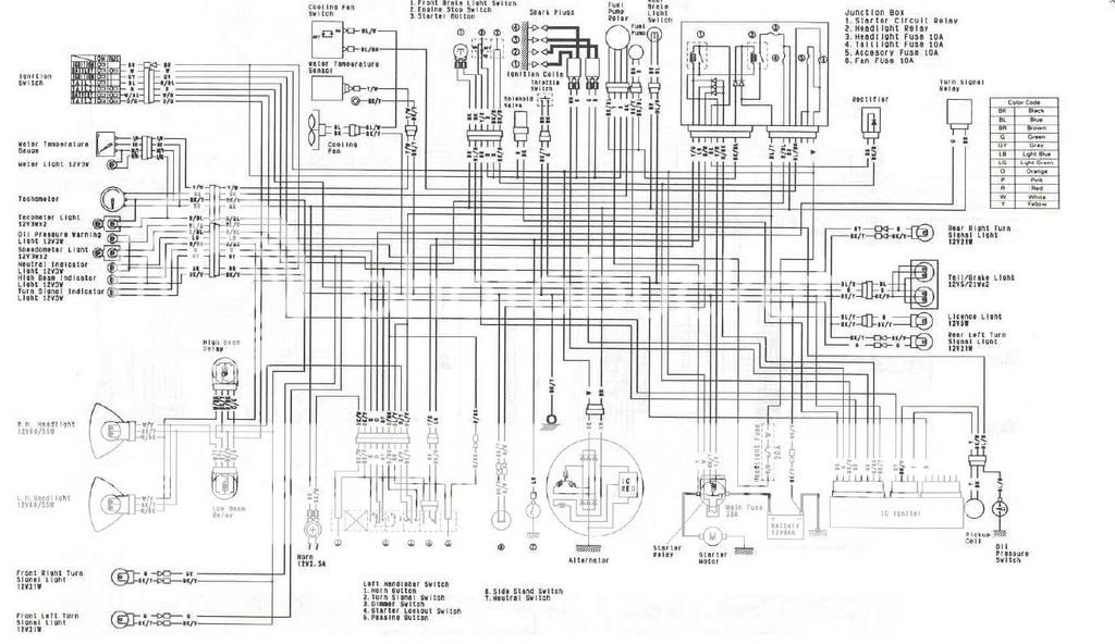
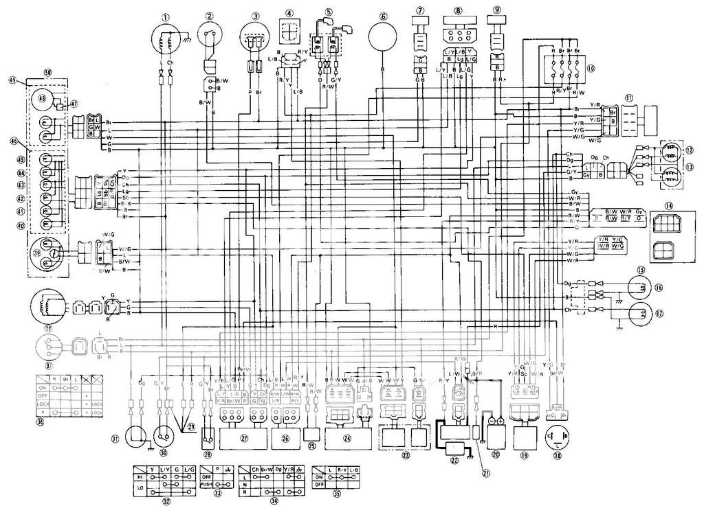
 Posted: 15:21 - 07 Mar 2007 Post subject: wiring diagrams, available inside :D |
 |
|
|
|
| Back to top |
|
You must be logged in to rate posts |
|
 |
| T1z3R |
This post is not being displayed .
|
 T1z3R World Chat Champion

Joined: 23 Oct 2005 Karma :  
|
 Posted: 15:23 - 07 Mar 2007 Post subject: |
 |
|
im stunned
no GS500  ____________________ duck my sick! |
|
| Back to top |
|
You must be logged in to rate posts |
|
 |
| hmmmnz |
This post is not being displayed .
|
 hmmmnz Super Spammer

Joined: 22 Aug 2006 Karma :   
|
 Posted: 15:41 - 07 Mar 2007 Post subject: |
 |
|
|
|
| Back to top |
|
You must be logged in to rate posts |
|
 |
| T1z3R |
This post is not being displayed .
|
 T1z3R World Chat Champion

Joined: 23 Oct 2005 Karma :  
|
 Posted: 15:45 - 07 Mar 2007 Post subject: |
 |
|
curse that edit button  ____________________ duck my sick! |
|
| Back to top |
|
You must be logged in to rate posts |
|
 |
| hmmmnz |
This post is not being displayed .
|
 hmmmnz Super Spammer

Joined: 22 Aug 2006 Karma :   
|
 Posted: 15:47 - 07 Mar 2007 Post subject: |
 |
|
|
|
| Back to top |
|
You must be logged in to rate posts |
|
 |
| Paddy Blake |
This post is not being displayed .
|
 Paddy Blake World Chat Champion
Joined: 29 Jun 2006 Karma :   
|
 Posted: 00:05 - 08 Mar 2007 Post subject: |
 |
|
Great post man and i will see if i can send you some pictures of other
systems that i have.Its good to share.
Nice one.
Paddy. |
|
| Back to top |
|
You must be logged in to rate posts |
|
 |
| hmmmnz |
This post is not being displayed .
|
 hmmmnz Super Spammer

Joined: 22 Aug 2006 Karma :   
|
|
| Back to top |
|
You must be logged in to rate posts |
|
 |
| Resurrection |
This post is not being displayed .
|
 Resurrection Ballast Boy

Joined: 08 Jun 2006 Karma :  
|
 Posted: 18:21 - 08 Mar 2007 Post subject: |
 |
|
Wow im so confused my brain is about to fall out of my head lol
Fantastic find mate
Res ____________________ ZX9r |
|
| Back to top |
|
You must be logged in to rate posts |
|
 |
| cokker |
This post is not being displayed .
|
 cokker Spanner Monkey

Joined: 22 Mar 2006 Karma :     
|
 Posted: 18:36 - 08 Mar 2007 Post subject: |
 |
|
Woo Hoo!
GSX 750F!
Thanks mate!  ____________________ No longer have a bike due to a DVLA/Court royal f**k up. |
|
| Back to top |
|
You must be logged in to rate posts |
|
 |
| Resurrection |
This post is not being displayed .
|
 Resurrection Ballast Boy

Joined: 08 Jun 2006 Karma :  
|
|
| Back to top |
|
You must be logged in to rate posts |
|
 |
| cokker |
This post is not being displayed .
|
 cokker Spanner Monkey

Joined: 22 Mar 2006 Karma :     
|
|
| Back to top |
|
You must be logged in to rate posts |
|
 |
| hmmmnz |
This post is not being displayed .
|
 hmmmnz Super Spammer

Joined: 22 Aug 2006 Karma :   
|
|
| Back to top |
|
You must be logged in to rate posts |
|
 |
| Resurrection |
This post is not being displayed .
|
 Resurrection Ballast Boy

Joined: 08 Jun 2006 Karma :  
|
|
| Back to top |
|
You must be logged in to rate posts |
|
 |
| cokker |
This post is not being displayed .
|
 cokker Spanner Monkey

Joined: 22 Mar 2006 Karma :     
|
 Posted: 19:09 - 13 Mar 2007 Post subject: |
 |
|
|
|
| Back to top |
|
You must be logged in to rate posts |
|
 |
| st3v3 |
This post is not being displayed .
|
 st3v3 Super Spammer

Joined: 16 Oct 2006 Karma :     
|
 Posted: 22:24 - 13 Mar 2007 Post subject: |
 |
|
is there any out there for the (Honda) NS125 R/F? not NSR doesn't matter if there aint
Cheers  ____________________ Roger wrote: Women don't get damp for clingy puppies. Get some better happy pills, hit the gym & buy a medallion the size of a dinner plate. Job done |
|
| Back to top |
|
You must be logged in to rate posts |
|
 |
| Whosthedaddy |
This post is not being displayed .
|
 Whosthedaddy Super Spammer
Joined: 11 Dec 2005 Karma :    
|
 Posted: 17:12 - 14 Mar 2007 Post subject: |
 |
|
I have a copy of the Yamaha FZR 600, it’s from an American version, but the basics should be sound.
Clicky
Found some pics that highlights the various electrical components to match.
https://naes.afraid.org/images/fzrelectro1.jpg
https://naes.afraid.org/images/fzrelectro2.jpg
Got a wiring diagram for the monkey, not sure if it would help anyone else so will leave it unscanned  ____________________ Current : MSX 125 Past : CBR 900RR Monkeybike : c50 LAC : ZXR750 H2 : FZR600 : ZX7R P3 : YW100 : TRX850: Trophy 900 T309 : GSXR 600 L0: Monkeybike : XJ6S Whosthedaddy |
|
| Back to top |
|
You must be logged in to rate posts |
|
 |
| Resurrection |
This post is not being displayed .
|
 Resurrection Ballast Boy

Joined: 08 Jun 2006 Karma :  
|
 Posted: 23:18 - 14 Mar 2007 Post subject: |
 |
|
Hey you never know who might need to re wire there monkey
Res ____________________ ZX9r |
|
| Back to top |
|
You must be logged in to rate posts |
|
 |
| Jenks |
This post is not being displayed .
|
 Jenks World Chat Champion

Joined: 22 May 2006 Karma :   
|
 Posted: 23:38 - 14 Mar 2007 Post subject: |
 |
|
got one for a Vulcan custom?  ____________________ 1978 MZ TS 250 1 Supa 5
1992 yamaha fzr1000 exup
1998 aprilia af1 sintesi |
|
| Back to top |
|
You must be logged in to rate posts |
|
 |
| hmmmnz |
This post is not being displayed .
|
 hmmmnz Super Spammer

Joined: 22 Aug 2006 Karma :   
|
 Posted: 17:48 - 15 Mar 2007 Post subject: |
 |
|
|
|
| Back to top |
|
You must be logged in to rate posts |
|
 |
| Pete. |
This post is not being displayed .
|
 Pete. Super Spammer

Joined: 22 Aug 2006 Karma :     
|
 Posted: 18:07 - 15 Mar 2007 Post subject: |
 |
|
Hmmmz that's a great service you've done buddy but if only you had scanned them and saved them as GIF images rather than jpeg, they would bezoomable and perfectly legible and a fraction of the filesize.
All images such as line-drawings or text should be saved as gif it gives a far better result. Jpeg is for multi-hue colours. ____________________ a.k.a 'Geri'
132.9mph off and walked away. Gear is good, gear is good, gear is very very good  |
|
| Back to top |
|
You must be logged in to rate posts |
|
 |
| Jenks |
This post is not being displayed .
|
 Jenks World Chat Champion

Joined: 22 May 2006 Karma :   
|
 Posted: 20:07 - 15 Mar 2007 Post subject: |
 |
|
sorry mate should have specified - Vulcan is the make, custom is the model. ____________________ 1978 MZ TS 250 1 Supa 5
1992 yamaha fzr1000 exup
1998 aprilia af1 sintesi |
|
| Back to top |
|
You must be logged in to rate posts |
|
 |
| hmmmnz |
This post is not being displayed .
|
 hmmmnz Super Spammer

Joined: 22 Aug 2006 Karma :   
|
|
| Back to top |
|
You must be logged in to rate posts |
|
 |
| Jenks |
This post is not being displayed .
|
 Jenks World Chat Champion

Joined: 22 May 2006 Karma :   
|
|
| Back to top |
|
You must be logged in to rate posts |
|
 |
| Jamie S |
This post is not being displayed .
|
 Jamie S World Chat Champion

Joined: 28 Dec 2006 Karma :   
|
|
| Back to top |
|
You must be logged in to rate posts |
|
 |
| Pete. |
This post is not being displayed .
|
 Pete. Super Spammer

Joined: 22 Aug 2006 Karma :     
|
|
| Back to top |
|
You must be logged in to rate posts |
|
 |
Old Thread Alert!
The last post was made 18 years, 277 days ago. Instead of replying here, would creating a new thread be more useful? |
 |
|
|