Resend my activation email : Register : Log in 
BCF: Bike Chat Forums


Help with lights

Reply to topic
Bike Chat Forums Index -> The Workshop
View previous topic : View next topic  
Author Message

numark1
Scared of girls



Joined: 09 May 2004
Karma :

PostPosted: 18:35 - 27 Mar 2007    Post subject: Help with lights Reply with quote

Is there any way to play with the electrics of my 2000 zx6r and have only 1 light on instead of 2. When i put the first setting on the switch gear only a small light in the middle comes on, is it possible to wire one of the headlights to come on too like the cbr600rr's

thanks
 Back to top
View user's profile Send private message Send e-mail You must be logged in to rate posts

McJamweasel
BCF Junkie



Joined: 22 Mar 2002
Karma :

PostPosted: 19:24 - 27 Mar 2007    Post subject: Reply with quote

Why?
____________________
BCF: Be yourself, just don't be an arse.
 Back to top
View user's profile Send private message Send e-mail You must be logged in to rate posts

hmmmnz
Super Spammer



Joined: 22 Aug 2006
Karma :

PostPosted: 20:33 - 27 Mar 2007    Post subject: Reply with quote

yep, you'd have to wire in a relay as that cable that feeds the park light isn't large enough to handle the electrickery that needs to feed one of your lights.
Very Happy
do you want a wiring pic to show you what needs to be done??
____________________
the humans are dead
I kick arse for the lord
Wiring Diagrams BIDNIP it bitches
 Back to top
View user's profile Send private message You must be logged in to rate posts

numark1
Scared of girls



Joined: 09 May 2004
Karma :

PostPosted: 20:41 - 27 Mar 2007    Post subject: Reply with quote

Yes please.

I think it looks pretty cool so why not Thumbs Up
 Back to top
View user's profile Send private message Send e-mail You must be logged in to rate posts

MarJay
But it's British!



Joined: 15 Sep 2003
Karma :

PostPosted: 21:41 - 27 Mar 2007    Post subject: Reply with quote

markcatate wrote:
Yes please.

I think it looks pretty cool so why not Thumbs Up


I'd say lights don't look cool. They just light up.

The coolest bikes have hidden or different headlights. I'd rather not draw attention to 'em to be honest.
____________________
British beauty: Triumph Street Triple R; Loony stroker: KR1S; Track fun: GSXR750 L1; Commuter Missile: GSX-S1000F
Remember kids, bikes aren't like lego. You can't easily take a part from one bike and then fit it to another.
 Back to top
View user's profile Send private message Send e-mail You must be logged in to rate posts

hmmmnz
Super Spammer



Joined: 22 Aug 2006
Karma :

PostPosted: 22:34 - 28 Mar 2007    Post subject: Reply with quote

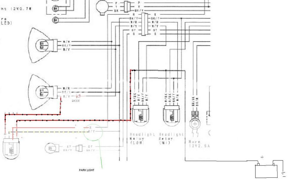
https://i58.photobucket.com/albums/g257/hmmmnz/zx6singleparkcircuit.jpg

right thats the wiring for it,
you will need a relay
and a diode to stop the electricity feeding both lights when on the park setting but still allowing both light turn on when its on dip or full beam, you should have no bother picking up the diode from maplins or an electronics store
have fun Very Happy
____________________
the humans are dead
I kick arse for the lord
Wiring Diagrams BIDNIP it bitches
 Back to top
View user's profile Send private message You must be logged in to rate posts
Old Thread Alert!

The last post was made 18 years, 279 days ago. Instead of replying here, would creating a new thread be more useful?
  Display posts from previous:   
This page may contain affiliate links, which means we may earn a small commission if a visitor clicks through and makes a purchase. By clicking on an affiliate link, you accept that third-party cookies will be set.

Post new topic   Reply to topic    Bike Chat Forums Index -> The Workshop All times are GMT
Page 1 of 1

 
You cannot post new topics in this forum
You cannot reply to topics in this forum
You cannot edit your posts in this forum
You cannot delete your posts in this forum
You cannot vote in polls in this forum
You cannot attach files in this forum
You cannot download files in this forum

Read the Terms of Use! - Powered by phpBB © phpBB Group
 

Debug Mode: ON - Server: birks (www) - Page Generation Time: 0.05 Sec - Server Load: 0.62 - MySQL Queries: 14 - Page Size: 49.61 Kb