|
|
| Author |
Message |
| mwnci |
This post is not being displayed .
|
 mwnci L Plate Warrior
Joined: 24 May 2012 Karma :  
|
|
| Back to top |
|
You must be logged in to rate posts |
|
 |
| badluck |
This post is not being displayed .
|
 badluck L Plate Warrior
Joined: 05 Jun 2012 Karma :  
|
 Posted: 14:05 - 05 Jun 2012 Post subject: |
 |
|
Hi
I registered just to answer your question! And I do believe I will need some help myself shortly :p
I'm currently constructing a CG125 Chinese clone, but I am led to believe that the wiring loom and parts are interchangeable... (correct me if I'm wrong?)
I have been posting in another forum and have been helped greatly in regards to wiring! Link is here .
More specifically, if you cannot view the forum, part coloured wiring diagram is here .
Good Luck  |
|
| Back to top |
|
You must be logged in to rate posts |
|
 |
| mwnci |
This post is not being displayed .
|
 mwnci L Plate Warrior
Joined: 24 May 2012 Karma :  
|
 Posted: 14:39 - 05 Jun 2012 Post subject: |
 |
|
hi, thanks for the reply, but i don't think it does answer my question because thats the wiring diagram for a huoniao bike, whereas i have a honda CG125-C that doesn't even have a CDI unit. I was wanting to know whether a missing wire from the generator was something to worry about. Im thinking it doesn't because it seems to be a switch from daytime to night time setting whatever that means. but that leaves me with a wire from the lighting switch unconnected so is that a break in the circuit? now i wish i listened more learning about circuits at school.
As for the interchangeability of parts, yes i think you can just wire a bike how you like as long as you know what your doing; my problem is, i don't. but i can learn hopefully |
|
| Back to top |
|
You must be logged in to rate posts |
|
 |
| J.M. |
This post is not being displayed .
|
 J.M. World Chat Champion

Joined: 27 Mar 2011 Karma :    
|
 Posted: 15:23 - 05 Jun 2012 Post subject: |
 |
|
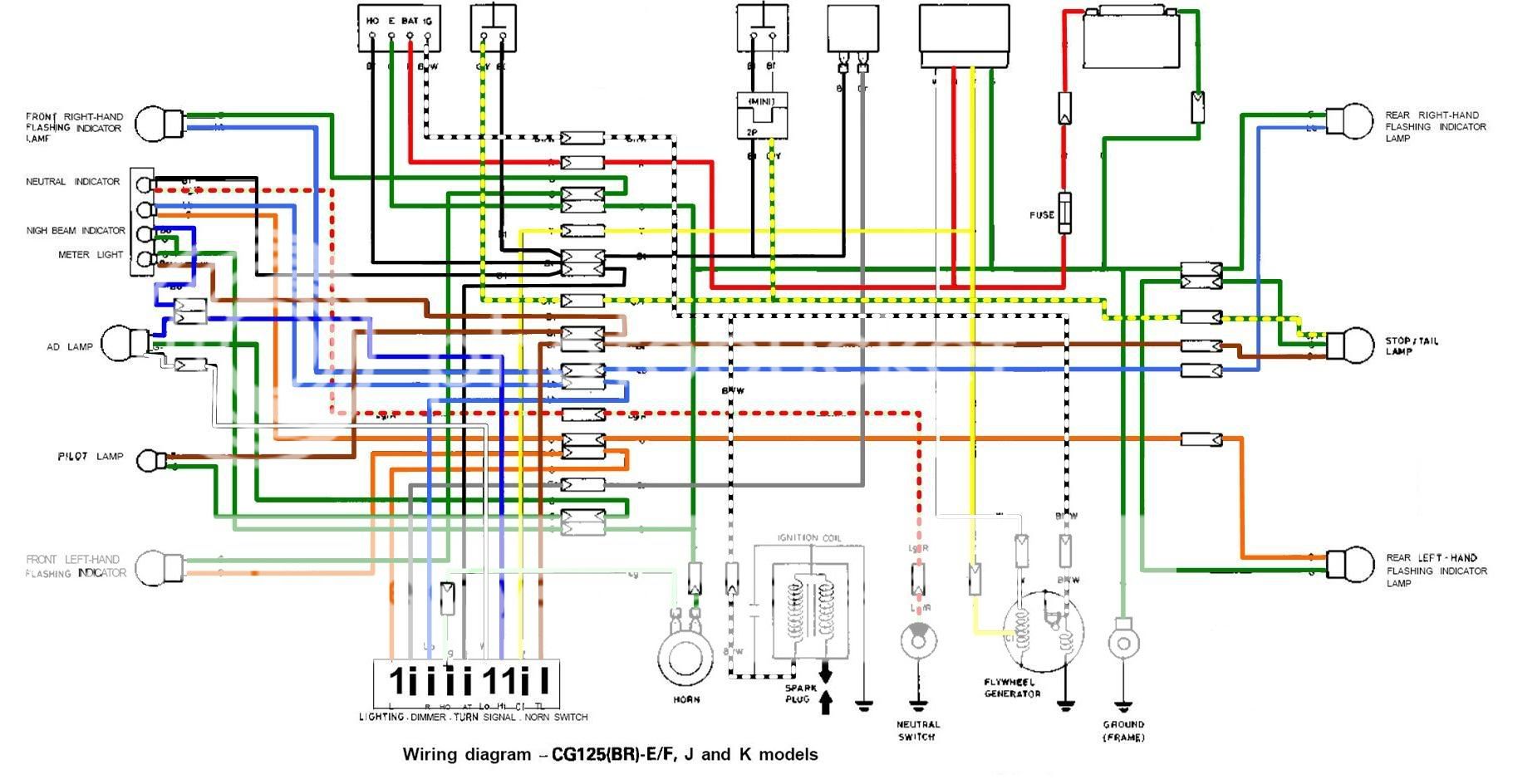
According to the wiring diagram (linky), you should only have Yellow, White and Black & White coming from the Flywheel generator.
The flywheel generator should also be grounded. ____________________ 2004 R1 & 2018 XSR900 |
|
| Back to top |
|
You must be logged in to rate posts |
|
 |
| U_W v2.0 |
This post is not being displayed .
|
 U_W v2.0 World Chat Champion

Joined: 07 May 2012 Karma :  
|
 Posted: 16:45 - 05 Jun 2012 Post subject: |
 |
|
| badluck wrote: | Hi
I registered just to answer your question! And I do believe I will need some help myself shortly :p
I'm currently constructing a CG125 Chinese clone, but I am led to believe that the wiring loom and parts are interchangeable... (correct me if I'm wrong?)
I have been posting in another forum and have been helped greatly in regards to wiring! Link is here .
More specifically, if you cannot view the forum, part coloured wiring diagram is here .
Good Luck  |
LOL thats MY wiring diagram. i went over it in paint lol. i'll be completing it at some point lol ____________________ BCF's biggest cunt list: Cansa, Pits, Rob |
|
| Back to top |
|
You must be logged in to rate posts |
|
 |
| badluck |
This post is not being displayed .
|
 badluck L Plate Warrior
Joined: 05 Jun 2012 Karma :  
|
 Posted: 17:12 - 05 Jun 2012 Post subject: |
 |
|
That is your wiring diagram!
I didn't realise you were on here too otherwise I would have given you credit
Thanks for assisting with resolving my confusion too  |
|
| Back to top |
|
You must be logged in to rate posts |
|
 |
| mwnci |
This post is not being displayed .
|
 mwnci L Plate Warrior
Joined: 24 May 2012 Karma :  
|
|
| Back to top |
|
You must be logged in to rate posts |
|
 |
Old Thread Alert!
The last post was made 13 years, 291 days ago. Instead of replying here, would creating a new thread be more useful? |
 |
|
|