Resend my activation email : Register : Log in 
BCF: Bike Chat Forums


So I passed my cbt and went home to ride then.........

Reply to topic
Bike Chat Forums Index -> The Workshop Goto page 1, 2  Next
View previous topic : View next topic  
Author Message

Tnias
Two Stroke Sniffer



Joined: 28 Jun 2014
Karma :

PostPosted: 21:23 - 12 Jul 2014    Post subject: So I passed my cbt and went home to ride then......... Reply with quote

Before I start I have a gz125 suzuki marauder.

Was riding about for a couple of hours fine, went to my friends, we noticed fuel was leaking from under the carb. There was no hose connected to it or anything, is there supposed to be? Cos one was sitting loose that was connected to the top of the carb. Bike won't start now but engine still turns over, any ideas anybody
 Back to top
View user's profile Send private message You must be logged in to rate posts

EazyDuz
World Chat Champion



Joined: 11 Apr 2011
Karma :

PostPosted: 21:24 - 12 Jul 2014    Post subject: Reply with quote

Post a pic
____________________
To shreds you say? Tss tss tss
 Back to top
View user's profile Send private message You must be logged in to rate posts

Tnias
Two Stroke Sniffer



Joined: 28 Jun 2014
Karma :

PostPosted: 21:27 - 12 Jul 2014    Post subject: Reply with quote

Left bike at my mates for now he will take a pic when he's home from dropping me off and I'll stick it on bud
 Back to top
View user's profile Send private message You must be logged in to rate posts

Tnias
Two Stroke Sniffer



Joined: 28 Jun 2014
Karma :

PostPosted: 22:07 - 12 Jul 2014    Post subject: Reply with quote

so the hose i have attached underneath wasnt actually plugged into where it is now, was just sitting loose (only plugged into the top). So not sure how its meant to look ? fuel was leaking from where i plugged the hose into under the carb.

https://i.imgur.com/jQ4gTQe.jpg
https://i.imgur.com/ml2eHRh.jpg
https://i.imgur.com/0Mo3iKb.jpg
 Back to top
View user's profile Send private message You must be logged in to rate posts

Shaft
World Chat Champion



Joined: 27 Dec 2010
Karma :

PostPosted: 22:19 - 12 Jul 2014    Post subject: Reply with quote

If you mean the red pipe, it's currently plugged onto the carb overflow and is doing what it should be doing, venting excess fuel to a point where it drips on the ground, usually just under the swing arm pivot point.

The carb is overflowing because the needle valve is stuck, so the fuel doesn't stop flowing when the float bowl is full.

Try tapping the float bowl with a light hammer/screwdriver handle (you aren't trying to smash it to pieces, just unstick a little valve) and see if it stops.
____________________
Things get better with age; I'm close to being magnificent........
20 RE Interceptor, 83 Z1100A3, 83 GS650 Katana
WooHoo, I'm a Man Point Millionaire! https://www.bikechatforums.com/viewtopic.php?t=234035
 Back to top
View user's profile Send private message Send e-mail You must be logged in to rate posts

Tnias
Two Stroke Sniffer



Joined: 28 Jun 2014
Karma :

PostPosted: 22:26 - 12 Jul 2014    Post subject: Reply with quote

ah OK, will try that tomorrow, so I should leave that pipe where i have it now and try what you said or unplug that pipe form underneath and put it loose where it was ? excuse the severe lack of knowledge just trying to learn as I go.

thanks for the reply
 Back to top
View user's profile Send private message You must be logged in to rate posts

gavcarter
Could Be A Chat Bot



Joined: 28 Mar 2009
Karma :

PostPosted: 22:28 - 12 Jul 2014    Post subject: Reply with quote

I have had MILD success doing the following:

Turn petrol tap off ( if has one)

Opening drain screw on carb, will be right above the red pipe

Push a tin of carb cleaner quite hard against the red pipe and back-fill the carb, so the float bowl is filled with cleaner, it will all drain back out when you take the can off the red pipe.

Wont work if you dont get enough inside the carb so try and keep the pipe higher than the bottom of the carb.

It is just a quick fix, and you may end up having to clean it out properly, but its always worth a little punt, it can save you about an hour if it works Thumbs Up
 Back to top
View user's profile Send private message Send e-mail You must be logged in to rate posts

Shaft
World Chat Champion



Joined: 27 Dec 2010
Karma :

PostPosted: 22:28 - 12 Jul 2014    Post subject: Reply with quote

Leave it where it is, it's meant to stop you getting a big puddle of petrol on top of your gearbox.
____________________
Things get better with age; I'm close to being magnificent........
20 RE Interceptor, 83 Z1100A3, 83 GS650 Katana
WooHoo, I'm a Man Point Millionaire! https://www.bikechatforums.com/viewtopic.php?t=234035
 Back to top
View user's profile Send private message Send e-mail You must be logged in to rate posts

gavcarter
Could Be A Chat Bot



Joined: 28 Mar 2009
Karma :

PostPosted: 22:29 - 12 Jul 2014    Post subject: Reply with quote

Tnias wrote:
ah OK, will try that tomorrow, so I should leave that pipe where i have it now and try what you said or unplug that pipe form underneath and put it loose where it was ? excuse the severe lack of knowledge just trying to learn as I go.

thanks for the reply


Leave where is, just make sure the other end is NOT pointing at back wheel or at anything that gets hot ( just bear in mind that petrol comes out of it when theres a problem )
 Back to top
View user's profile Send private message Send e-mail You must be logged in to rate posts

Tnias
Two Stroke Sniffer



Joined: 28 Jun 2014
Karma :

PostPosted: 22:30 - 12 Jul 2014    Post subject: Reply with quote

yeah that seems to make sense heh Razz

thanks again will post back when me and my mate have a look again tomorrow
 Back to top
View user's profile Send private message You must be logged in to rate posts

Tnias
Two Stroke Sniffer



Joined: 28 Jun 2014
Karma :

PostPosted: 22:31 - 12 Jul 2014    Post subject: Reply with quote

gavcarter wrote:
Tnias wrote:
ah OK, will try that tomorrow, so I should leave that pipe where i have it now and try what you said or unplug that pipe form underneath and put it loose where it was ? excuse the severe lack of knowledge just trying to learn as I go.

thanks for the reply


Leave where is, just make sure the other end is NOT pointing at back wheel or at anything that gets hot ( just bear in mind that petrol comes out of it when theres a problem )


well, the other end of it is plugged into the top of the carb, like you can see in the pic above, is that maybe not meant to be plugged in there ?
 Back to top
View user's profile Send private message You must be logged in to rate posts

Shaft
World Chat Champion



Joined: 27 Dec 2010
Karma :

PostPosted: 22:36 - 12 Jul 2014    Post subject: Reply with quote

Tnias wrote:

well, the other end of it is plugged into the top of the carb, like you can see in the pic above, is that maybe not meant to be plugged in there ?


OK, so it's some form of recirculation system, so that excess fuel gets dumped back into the top of the throttle body.

Still leave it where it is.
____________________
Things get better with age; I'm close to being magnificent........
20 RE Interceptor, 83 Z1100A3, 83 GS650 Katana
WooHoo, I'm a Man Point Millionaire! https://www.bikechatforums.com/viewtopic.php?t=234035
 Back to top
View user's profile Send private message Send e-mail You must be logged in to rate posts

gavcarter
Could Be A Chat Bot



Joined: 28 Mar 2009
Karma :

PostPosted: 22:45 - 12 Jul 2014    Post subject: Reply with quote

The other end has gone brown? I thought it was two separate pipes. Embarassed

In that case double check there is a pipe connected to the fuel tap, and that you actually have some petrol left in the tank......

If there is no pipe on the fuel tap, then take the pipe off the BOTTOM of the carb and connect it to fuel tap, leave the middle bit where it is...

Apologies for earlier posts ( ignore them) , I thought we were looking at two separate pipes, not one that has been looped back round out of sight Rolling Eyes
 Back to top
View user's profile Send private message Send e-mail You must be logged in to rate posts

Tnias
Two Stroke Sniffer



Joined: 28 Jun 2014
Karma :

PostPosted: 22:50 - 12 Jul 2014    Post subject: Reply with quote

There is definitely a pipe from the fuel tank and definitely fuel in the tank, that's all connected fine. Yeah the brown end was always plugged in where it is but the other end was sitting loose under the seat somewhere. Then fuel started dripping out of where that end is now plugged into (underneath)
 Back to top
View user's profile Send private message You must be logged in to rate posts

Shaft
World Chat Champion



Joined: 27 Dec 2010
Karma :

PostPosted: 22:55 - 12 Jul 2014    Post subject: Reply with quote

Before you passed your CBT, had the bike been standing unused for a while?
____________________
Things get better with age; I'm close to being magnificent........
20 RE Interceptor, 83 Z1100A3, 83 GS650 Katana
WooHoo, I'm a Man Point Millionaire! https://www.bikechatforums.com/viewtopic.php?t=234035
 Back to top
View user's profile Send private message Send e-mail You must be logged in to rate posts

Tnias
Two Stroke Sniffer



Joined: 28 Jun 2014
Karma :

PostPosted: 22:58 - 12 Jul 2014    Post subject: Reply with quote

Yeah it had been left out in all weather, got quite rusted etc, but was running fine. Needed the front brake caliper replaced, done that and sorted out the rust. Bike ran fine when I got it, or so it seemed. I did get it cheap heh
 Back to top
View user's profile Send private message You must be logged in to rate posts

Tnias
Two Stroke Sniffer



Joined: 28 Jun 2014
Karma :

PostPosted: 23:03 - 12 Jul 2014    Post subject: Reply with quote

Forgot we discovered something else, not sure if it's related to the same leaking fuel thing. But when it didn't start we checked the spark plug and it was wet when we pulled it out, cleaned it up but still no joy.
 Back to top
View user's profile Send private message You must be logged in to rate posts

Shaft
World Chat Champion



Joined: 27 Dec 2010
Karma :

PostPosted: 23:15 - 12 Jul 2014    Post subject: Reply with quote

Tnias wrote:
Yeah it had been left out in all weather, got quite rusted etc, but was running fine. Needed the front brake caliper replaced, done that and sorted out the rust. Bike ran fine when I got it, or so it seemed. I did get it cheap heh


Most likely, it had some rust in the tank, using it has sloshed the fuel around and dislodged a few particles, one of which has found it's way past the filter and got stuck under the float valve. Put in an inline filter, between the tank and the throttle body, it should help.

As for it not starting, it's either fuel flooding (the overflow problem suggests this) or I notice lots of water droplets around the place; if you've been riding in the rain, the ignition circuit could be wet and you've got no spark, hence wet plug.
____________________
Things get better with age; I'm close to being magnificent........
20 RE Interceptor, 83 Z1100A3, 83 GS650 Katana
WooHoo, I'm a Man Point Millionaire! https://www.bikechatforums.com/viewtopic.php?t=234035
 Back to top
View user's profile Send private message Send e-mail You must be logged in to rate posts

Tnias
Two Stroke Sniffer



Joined: 28 Jun 2014
Karma :

PostPosted: 23:20 - 12 Jul 2014    Post subject: Reply with quote

Yeah I'm afraid living in Scotland makes riding in the rain a regular occurrance heh.

Thanks alot both of you for all the advice we will have a good look at it tomorrow (hopefully the weather will be better)
 Back to top
View user's profile Send private message You must be logged in to rate posts

Shaft
World Chat Champion



Joined: 27 Dec 2010
Karma :

PostPosted: 23:31 - 12 Jul 2014    Post subject: Reply with quote

Do a standard spark test; take the plug out, shove it back in the plug cap, then earth the thread against the cylinder fins (hold the plug lead, not the spark plug!)

Press the start button and if you get a nice fat blue spark across the plug electrodes, the ignition is all good and it's overfuelling.
____________________
Things get better with age; I'm close to being magnificent........
20 RE Interceptor, 83 Z1100A3, 83 GS650 Katana
WooHoo, I'm a Man Point Millionaire! https://www.bikechatforums.com/viewtopic.php?t=234035
 Back to top
View user's profile Send private message Send e-mail You must be logged in to rate posts

Tnias
Two Stroke Sniffer



Joined: 28 Jun 2014
Karma :

PostPosted: 08:28 - 13 Jul 2014    Post subject: Reply with quote

ok will try that too, whwn we took the plug out and held the elad last night there was no visible spark but fuel flew out of where it was plugged into, im guessing thats normal cos thats where it ignites ?

EDIT: sigh.. mate just checked on the bike as its parked at his and said its been leaking petrol all night from elsewhere now... christ knows what's happening. seems since its had a good ride its just falling apart. Leaking from air filter.
 Back to top
View user's profile Send private message You must be logged in to rate posts

Ariel Badger
Super Spammer



Joined: 02 Dec 2006
Karma :

PostPosted: 11:33 - 13 Jul 2014    Post subject: Reply with quote

Your carb needs stripping and cleaning. Your cylinder is full of fuel, it should not squirt out of the plug hole. If your cylinder is full of fuel it will have got past the rings and contaminated the oil and that will need changing.
____________________
Bikers make great organ donors, get 115 on your licence today.
 Back to top
View user's profile Send private message Send e-mail You must be logged in to rate posts

Tnias
Two Stroke Sniffer



Joined: 28 Jun 2014
Karma :

PostPosted: 11:36 - 13 Jul 2014    Post subject: Reply with quote

right, think I am in way over my head heh.

Thanks for the reply ill see what I can do. Thumbs Up
 Back to top
View user's profile Send private message You must be logged in to rate posts

Lord Percy
World Chat Champion



Joined: 03 Aug 2012
Karma :

PostPosted: 12:03 - 13 Jul 2014    Post subject: Reply with quote

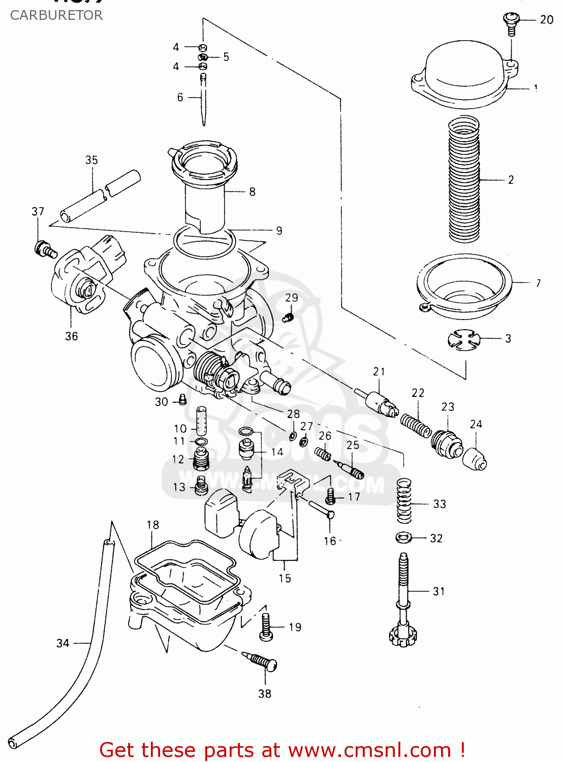
This may help:

Assembly diagram of your carburettor:

The floats are number 15.

https://images.cmsnl.com/img/partslists/suzuki-gz125-2000-uy-carburetor_bigsue0360fig9_75ca.gif


Last edited by Lord Percy on 12:05 - 13 Jul 2014; edited 1 time in total
 Back to top
View user's profile Send private message You must be logged in to rate posts

Tnias
Two Stroke Sniffer



Joined: 28 Jun 2014
Karma :

PostPosted: 12:04 - 13 Jul 2014    Post subject: Reply with quote

nice! thank you Smile
 Back to top
View user's profile Send private message You must be logged in to rate posts
Old Thread Alert!

The last post was made 11 years, 196 days ago. Instead of replying here, would creating a new thread be more useful?
  Display posts from previous:   
This page may contain affiliate links, which means we may earn a small commission if a visitor clicks through and makes a purchase. By clicking on an affiliate link, you accept that third-party cookies will be set.

Post new topic   Reply to topic    Bike Chat Forums Index -> The Workshop All times are GMT
Goto page 1, 2  Next
Page 1 of 2

 
You cannot post new topics in this forum
You cannot reply to topics in this forum
You cannot edit your posts in this forum
You cannot delete your posts in this forum
You cannot vote in polls in this forum
You cannot attach files in this forum
You cannot download files in this forum

Read the Terms of Use! - Powered by phpBB © phpBB Group
 

Debug Mode: ON - Server: birks (www) - Page Generation Time: 0.11 Sec - Server Load: 0.74 - MySQL Queries: 14 - Page Size: 128.24 Kb