Resend my activation email : Register : Log in 
BCF: Bike Chat Forums


CG125 carb assembly

Reply to topic
Bike Chat Forums Index -> The Workshop
View previous topic : View next topic  
Author Message

root
Two Stroke Sniffer



Joined: 02 Aug 2010
Karma :

PostPosted: 10:43 - 17 Jun 2016    Post subject: CG125 carb assembly Reply with quote

Good morning gents. I have a superbyke rbp 125, which has a cg125 engine.

i took the carb apart to clean it and I cant figure out how to reassemble....just the side parts with springs and gold levers...anyone got any pics or something on how to reassemble. Cheers


Last edited by root on 17:15 - 17 Jun 2016; edited 1 time in total
 Back to top
View user's profile Send private message Send e-mail You must be logged in to rate posts

mudcow007
World Chat Champion



Joined: 01 Feb 2012
Karma :

PostPosted: 10:46 - 17 Jun 2016    Post subject: Reply with quote

voila

https://www.youtube.com/watch?v=BsnQOH4ECLs
 Back to top
View user's profile Send private message Send e-mail You must be logged in to rate posts

root
Two Stroke Sniffer



Joined: 02 Aug 2010
Karma :

PostPosted: 07:27 - 18 Jun 2016    Post subject: Reply with quote

mudcow007 wrote:


Cheers. That video doesnt show the assembly of the springs and levers at the side...why did i remove them lol...

Also ive got a tube that comes off the petrol tank and has a gold screw on end....unsure where that goes back hahahaha...

know the other goes on top of carb...

like i said...the bikes a project and i think from now on ill take pics when taking things apart lol
 Back to top
View user's profile Send private message Send e-mail You must be logged in to rate posts

Commuter_Tim
World Chat Champion



Joined: 08 May 2013
Karma :

PostPosted: 20:36 - 18 Jun 2016    Post subject: Reply with quote

root wrote:
mudcow007 wrote:


Cheers. That video doesnt show the assembly of the springs and levers at the side...why did i remove them lol...

Also ive got a tube that comes off the petrol tank and has a gold screw on end....unsure where that goes back hahahaha...

know the other goes on top of carb...

like i said...the bikes a project and i think from now on ill take pics when taking things apart lol


Take pics now, and post here, then we can point out what's what. Thumbs Up

Gold screw sounds odd, seems like your describing the brass screw bottom of the carb which sits next to the fuel drain hose?
The CG fuel pipe running from carb to petrol tank only has a fuel hose and hose clip and fuel tap on the end though iirc.

Regarding springs, you mean in the throttle tube/needle assembly?
If so my CG carb the spring was symmetrical and didn't appear to matter its orientation.

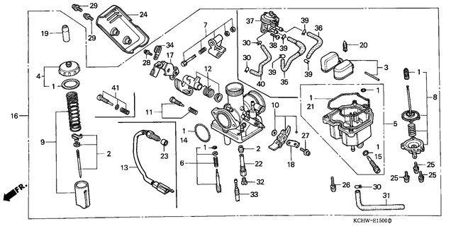
The images below may help, it depends on your CG copy year but I doubt the main carb and fuelling assembly varies much.

https://storage.googleapis.com/pfk-megabucket-732/HPL/Images/13KCHWU1/IMGE/F__1200.jpg

https://storage.googleapis.com/pfk-megabucket-732/HPL/Images/13KCHWU1/IMGE/E__1500.jpg
____________________
The above post is most likely nonsensical.

I ride a Bandit 600... badly.
 Back to top
View user's profile Send private message You must be logged in to rate posts

root
Two Stroke Sniffer



Joined: 02 Aug 2010
Karma :

PostPosted: 11:39 - 25 Jun 2016    Post subject: Reply with quote

https://i66.tinypic.com/2m77xvt.jpg

Thank you..

this is the pipe that i dont know where it goes...
The end without brass coloured bit goes onto the fuel tap under the petrol tank and i dont know where the other end attaches.

i think its some kind of vacuum. I cant get fuel through the tap without this pipe attached...
 Back to top
View user's profile Send private message Send e-mail You must be logged in to rate posts

Meatybeaty
World Chat Champion



Joined: 10 Apr 2016
Karma :

PostPosted: 15:17 - 25 Jun 2016    Post subject: Reply with quote

Hi , is your fuel tap manual (gravity) or Automatic (vacuum) if its vacuum the you should have one pipe from the fuel tap to the carb , and one pipe from the fuel tap to the intake duct to create the vacuum to draw the petrol from the tank Thumbs Up
 Back to top
View user's profile Send private message You must be logged in to rate posts

root
Two Stroke Sniffer



Joined: 02 Aug 2010
Karma :

PostPosted: 19:00 - 25 Jun 2016    Post subject: Reply with quote

Meatybeaty wrote:
Hi , is your fuel tap manual (gravity) or Automatic (vacuum) if its vacuum the you should have one pipe from the fuel tap to the carb , and one pipe from the fuel tap to the intake duct to create the vacuum to draw the petrol from the tank Thumbs Up


i think its a vacuum one for sure..its not a typical cg one as it doeant have a lever on it to turn it off and choose reserve fuel..ill look at the intake duct area tomorrow..thank you very much Smile

somewhere near the air filter right? Haha
 Back to top
View user's profile Send private message Send e-mail You must be logged in to rate posts

Meatybeaty
World Chat Champion



Joined: 10 Apr 2016
Karma :

PostPosted: 19:50 - 25 Jun 2016    Post subject: Reply with quote

Hi , no stop tap so it must be vacuum ,thats where your other pipe comes in Thumbs Up
 Back to top
View user's profile Send private message You must be logged in to rate posts
Old Thread Alert!

The last post was made 9 years, 223 days ago. Instead of replying here, would creating a new thread be more useful?
  Display posts from previous:   
This page may contain affiliate links, which means we may earn a small commission if a visitor clicks through and makes a purchase. By clicking on an affiliate link, you accept that third-party cookies will be set.

Post new topic   Reply to topic    Bike Chat Forums Index -> The Workshop All times are GMT
Page 1 of 1

 
You cannot post new topics in this forum
You cannot reply to topics in this forum
You cannot edit your posts in this forum
You cannot delete your posts in this forum
You cannot vote in polls in this forum
You cannot attach files in this forum
You cannot download files in this forum

Read the Terms of Use! - Powered by phpBB © phpBB Group
 

Debug Mode: ON - Server: birks (www) - Page Generation Time: 0.08 Sec - Server Load: 0.16 - MySQL Queries: 14 - Page Size: 57.81 Kb