Resend my activation email : Register : Log in 
BCF: Bike Chat Forums


Problem installing engine bars on ER-6N

Reply to topic
Bike Chat Forums Index -> The Workshop
View previous topic : View next topic  
Author Message

sapstar
Nova Slayer



Joined: 01 Oct 2019
Karma :

PostPosted: 21:13 - 29 Feb 2020    Post subject: Problem installing engine bars on ER-6N Reply with quote

I bought Renntec engine bars for my 2015 Kawasaki ER-6N and installed them today

The bars came with all nuts and bolts necessary, except for the right side, behind the fairing, just in front of the engine. The instructions suggest I need to use the existing bolts which were taken out. In my case the existing bolts continuously spin and I can't tighten them. These are 2 M8x60 bolts. See picture below from installation instructions.

https://i.ibb.co/hFLzyXr/20200229-210652.jpg

Can someone please let me know what kind of bolts I need to buy to replace these? I checked in ebay and see a number of different types of bolts and unable to decide which ones are right.

Eventhough the bolts are spinning when I tighten them, the fitting seems to be sturdy and there is no movement. Is the bike drivable in this condition?

Also anyone know if the nuts behind these bolts are removable? If so I would like to replace them too.

Found these on ebay.
https://www.ebay.co.uk/itm/233275990803
https://www.ebay.co.uk/itm/362217874580
https://www.ebay.co.uk/itm/362293650219
https://www.ebay.co.uk/itm/372090349564
____________________
First/Current Bike - Kawasaki ER-6N
 Back to top
View user's profile Send private message You must be logged in to rate posts

Nobby the Bastard
Harley Gaydar



Joined: 16 Aug 2013
Karma :

PostPosted: 21:51 - 29 Feb 2020    Post subject: Re: Problem installing engine bars on ER-6N Reply with quote

sapstar wrote:
I bought Renntec engine bars for my 2015 Kawasaki ER-6N and installed them today

The bars came with all nuts and bolts necessary, except for the right side, behind the fairing, just in front of the engine. The instructions suggest I need to use the existing bolts which were taken out. In my case the existing bolts continuously spin and I can't tighten them. These are 2 M8x60 bolts. See picture below from installation instructions.

https://i.ibb.co/hFLzyXr/20200229-210652.jpg

Can someone please let me know what kind of bolts I need to buy to replace these? I checked in ebay and see a number of different types of bolts and unable to decide which ones are right.

Eventhough the bolts are spinning when I tighten them, the fitting seems to be sturdy and there is no movement. Is the bike drivable in this condition?

Also anyone know if the nuts behind these bolts are removable? If so I would like to replace them too.

Found these on ebay.
https://www.ebay.co.uk/itm/233275990803
https://www.ebay.co.uk/itm/362217874580
https://www.ebay.co.uk/itm/362293650219
https://www.ebay.co.uk/itm/372090349564


The problem isnt the bolts are wrong, it's the fact you haven't realised that the holes aren't aligned.
____________________
trevor saxe-coburg-gotha:"Remember this simple rule - scooters are for men who like to feel the breeze on their huge, flapping cunt lips."
Triumph Sprint ST 1050
 Back to top
View user's profile Send private message You must be logged in to rate posts

sapstar
Nova Slayer



Joined: 01 Oct 2019
Karma :

PostPosted: 22:16 - 29 Feb 2020    Post subject: Re: Problem installing engine bars on ER-6N Reply with quote

Nobby the Bastard wrote:

The problem isnt the bolts are wrong, it's the fact you haven't realised that the holes aren't aligned.


The holes are definitely aligned. I can see the bolts come through the nut on the other side. I also checked if the nuts were spinning on the back, which is not the case.

When I tighten them, they get tight upto a point and then if I give it one more turn, they become loose and keep spinning.
____________________
First/Current Bike - Kawasaki ER-6N
 Back to top
View user's profile Send private message You must be logged in to rate posts

NJD
World Chat Champion



Joined: 11 Mar 2015
Karma :

PostPosted: 22:25 - 29 Feb 2020    Post subject: Reply with quote

sapstar wrote:
When I tighten them, they get tight upto a point and then if I give it one more turn, they become loose and keep spinning.


Then you've either damaged the threads on the bolts or inside the frame of the bike, or nut (assume welded nut onto frame or engine bars for bolt to feed into).

Local bike shop can repair, or D.I.Y if you can afford a kit of the correct size (M8 x whatever pitch the bolt is).

The bolts shouldn't be that far out, though, and the head of the bolt should get closer to the frame as it gets tighter. As above either isn't in line or you've tightened them at a slight angle and damaged it as per above.
____________________
The do it all, T̶h̶e̶ ̶b̶r̶o̶k̶e̶n̶ ̶o̶n̶e̶,̶ ̶T̶h̶e̶ ̶b̶i̶g̶ ̶l̶u̶m̶p̶,̶ ̶C̶h̶o̶n̶g̶ ̶N̶o̶o̶d̶l̶e̶
 Back to top
View user's profile Send private message You must be logged in to rate posts

stinkwheel
Bovine Proctologist



Joined: 12 Jul 2004
Karma :

PostPosted: 00:25 - 01 Mar 2020    Post subject: Reply with quote

Damage to the threads on the bolts should be obvious when you look at it. If the thread on the bolts is ok, the captive nuts may be damaged.

You've got most of it. they are called "flange bolts". I'd go for high tensile steel if they are attaching an engine mount to the frame like it looks in the picture. The ones there appezar to be part-threaded.

The ones in your third link down would be ideal and I have used that seller on several occasions.

https://www.ebay.co.uk/itm/FLANGED-HEXAGON-BOLTS-HIGH-TENSILE-8-8-PLATED-STEEL-FLANGE-HEX-SCREWS-M6-M8-M10/362293650219

If the captive nuts are damaged, you might be able to get slightly longer bolts and use a nut on the end of them.

If they are holding an engine mount and are loose, I would not ride the bike.
____________________
“Rule one: Always stick around for one more drink. That's when things happen. That's when you find out everything you want to know.
I did the 2010 Round Britain Rally on my 350 Bullet. 89 landmarks, 3 months, 9,500 miles.
 Back to top
View user's profile Send private message You must be logged in to rate posts

sapstar
Nova Slayer



Joined: 01 Oct 2019
Karma :

PostPosted: 00:38 - 01 Mar 2020    Post subject: Reply with quote

Thanks @NJD @stinkwheel.

I didn't see any obvious damage on the threads. I have some fully thread M8x70mm bolts at home. I will try these first to identify if it is the nut or the bolt which is stripped. If they work, then I will buy the m8x60mm. If not, I will get m8x70mm along with nuts to secure on the other side.

Will the zink plated bolts be ok outdoors? One of the links I posted is A4-80 stainless steel which is supposed to be high tensile and corrosion resistant. Would these be better?
____________________
First/Current Bike - Kawasaki ER-6N
 Back to top
View user's profile Send private message You must be logged in to rate posts

sapstar
Nova Slayer



Joined: 01 Oct 2019
Karma :

PostPosted: 09:25 - 01 Mar 2020    Post subject: Reply with quote

Tried another brand new m8 bolt I have and it does the same. So I think its definitely the welded nut on the back which got stripped.

I am able to get high tensile bolts in toolstation so I can finish the job today. These are fully threaded though. Is there an issue using fully threaded instead of the part threaded bolts?
____________________
First/Current Bike - Kawasaki ER-6N
 Back to top
View user's profile Send private message You must be logged in to rate posts

doggone
World Chat Champion



Joined: 20 May 2004
Karma :

PostPosted: 09:58 - 01 Mar 2020    Post subject: Reply with quote

sapstar wrote:
Tried another brand new m8 bolt I have and it does the same. So I think its definitely the welded nut on the back which got stripped.

I am able to get high tensile bolts in toolstation so I can finish the job today. These are fully threaded though. Is there an issue using fully threaded instead of the part threaded bolts?

Probably not, You are getting longer bolt(s) with a nut to go right through I take it.
 Back to top
View user's profile Send private message You must be logged in to rate posts

sapstar
Nova Slayer



Joined: 01 Oct 2019
Karma :

PostPosted: 10:04 - 01 Mar 2020    Post subject: Reply with quote

doggone wrote:

Probably not, You are getting longer bolt(s) with a nut to go right through I take it.

Yes correct, the only difference is that the stock bolts are partially threaded, but I can only get fully threaded ones locally.
____________________
First/Current Bike - Kawasaki ER-6N
 Back to top
View user's profile Send private message You must be logged in to rate posts

sapstar
Nova Slayer



Joined: 01 Oct 2019
Karma :

PostPosted: 12:34 - 01 Mar 2020    Post subject: Reply with quote

Thanks for your help guys. The stock bolts were out enough on the back to take a nut. So I just left the stock bolts and added nuts on the back to be able to tighten them fully. All sorted now Smile.
____________________
First/Current Bike - Kawasaki ER-6N
 Back to top
View user's profile Send private message You must be logged in to rate posts

stinkwheel
Bovine Proctologist



Joined: 12 Jul 2004
Karma :

PostPosted: 13:35 - 01 Mar 2020    Post subject: Reply with quote

One caveat. You MIGHT want to use some sort of locking device (either a spring washer or a nylok nut) to prevent them rattling loose. That said, the bolt didn't have one so it shouldn't if it's done up to the correct tension as per the owners manual.

I would always use high tensile steel over stainless in this application. It's load bearing and acting in shear. Stainless is unpredictable in its strength (even within the same grade) and can harden and become brittle with time/work/temperature/weathering.
____________________
“Rule one: Always stick around for one more drink. That's when things happen. That's when you find out everything you want to know.
I did the 2010 Round Britain Rally on my 350 Bullet. 89 landmarks, 3 months, 9,500 miles.
 Back to top
View user's profile Send private message You must be logged in to rate posts

sapstar
Nova Slayer



Joined: 01 Oct 2019
Karma :

PostPosted: 17:35 - 01 Mar 2020    Post subject: Reply with quote

stinkwheel wrote:
One caveat. You MIGHT want to use some sort of locking device (either a spring washer or a nylok nut) to prevent them rattling loose. That said, the bolt didn't have one so it shouldn't if it's done up to the correct tension as per the owners manual.


The nuts I used are the standard zink plates ones. Not the nylok nut. I just hand tightened it to the maximum I can. Will have a mechanic look at it next time I go for a service, so it can be tightened to the correct tension.

I have some medium strength loctite. Would it be wise to add some to the new nut?
____________________
First/Current Bike - Kawasaki ER-6N
 Back to top
View user's profile Send private message You must be logged in to rate posts

NJD
World Chat Champion



Joined: 11 Mar 2015
Karma :

PostPosted: 18:34 - 01 Mar 2020    Post subject: Reply with quote

sapstar wrote:
I have some medium strength loctite. Would it be wise to add some to the new nut?


Can't hurt. Only need a small amount. Apply to threads and tighten as quickly as can so will set and then leave alone.

When you're next in the shop ask them for, as above, a nylok nut. They'll have tubs of various bolts and nuts hanging around. Also google torque setting and get them to use a torque wrench to go over the bolts you've done up as it doesn't sound like you have one (something like this may be of use. I went with the ones that Halfords sell but depends what type you like and can afford).

Just be aware that when you apply copper grease to threads of bolts torque settings go out the window. That's an easy way to cause some damage so if you ever do that on a bolt that needs torquing up just go by experience and hand tighten to about what the book says and use feel at the same time. Torque settings often don't account for age of bolt being used or the threads.

I had this issue when installing engine bars on my CBF1000. For me it was more the standard bolt didn't fill the extra gap the engine bars added so stripped the thread on the bolt. Local shop used a longer one. Just something to expect if you're ever doing this again in the future.

I shoved one end of my engine bars into the gap its supposed to be mounted to and angle grinded the other side off as there was no way I was undoing an engine bolt on a 2006 bike that I can almost guarantee hasn't been out since it was fitted at the factory. Kind of takes away from the bars purpose but there's an afternoon of pain I didn't want to get into.
____________________
The do it all, T̶h̶e̶ ̶b̶r̶o̶k̶e̶n̶ ̶o̶n̶e̶,̶ ̶T̶h̶e̶ ̶b̶i̶g̶ ̶l̶u̶m̶p̶,̶ ̶C̶h̶o̶n̶g̶ ̶N̶o̶o̶d̶l̶e̶
 Back to top
View user's profile Send private message You must be logged in to rate posts

sapstar
Nova Slayer



Joined: 01 Oct 2019
Karma :

PostPosted: 12:25 - 02 Mar 2020    Post subject: Reply with quote

@NJD thanks very much for the helpful advise. I have now ordered a torque wrench like you suggested and some 1/2" impact sockets to go with it.

I wasn't even aware of tightening the bolts to a specific torque setting... Sad. First job I took up on my bike myself and learnt a lot from it...

From the below table can someone advise the right torque setting for these bolts on both sides?
https://i.ibb.co/qxHX3n5/Screenshot-2020-03-02-at-12-14-21.png

There are 2 bolts on the right and 2 on the left. I am guessing these are the Front engine mounting bolt (Left - 44nm, Right - 49nm) and Rear engine mounting bolt (Left - 44nm, Right - 44nm). Is this correct?

Also I replace the following bolt just above brake pedal on the right and the same location on the left. What is this bolt called. so I can find the right torque setting?

https://i.ibb.co/tPJrcXH/Screenshot-2020-03-02-at-12-18-58.png
____________________
First/Current Bike - Kawasaki ER-6N
 Back to top
View user's profile Send private message You must be logged in to rate posts

NJD
World Chat Champion



Joined: 11 Mar 2015
Karma :

PostPosted: 00:13 - 04 Mar 2020    Post subject: Reply with quote

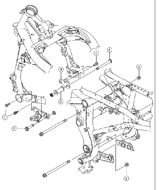
Providing that this -- https://mototh.com/files/kawasaki/ER6n/Kawasaki-ER6n-Service-Manual-EN.pdf -- is the correct year of your bike then as below.

8-2 in that manual for better image quality.

https://i.postimg.cc/nctw0sxZ/123.png

https://i.postimg.cc/x1fpVWq4/1234.png

~

"Impact sockets" are made to be used on an impact gun, or alike. Mainly because they withstand more brutal force than a regular socket and therefore loosen extremely stuck nuts/bolts. Nothing wrong with using them without an impact gun, but perhaps useless for regular use unless only type of socket you have in that size.

I'd stick to using regular 1/2 sockets on that torque wrench unless budget is tight. Always handy to keep impact sockets for future use, though.

~

As for that bolt you picture look at manual above for the "frame" section and see if you can spot it. Looks like a small Allen head bolt with a collar, can't imagine very tight.
____________________
The do it all, T̶h̶e̶ ̶b̶r̶o̶k̶e̶n̶ ̶o̶n̶e̶,̶ ̶T̶h̶e̶ ̶b̶i̶g̶ ̶l̶u̶m̶p̶,̶ ̶C̶h̶o̶n̶g̶ ̶N̶o̶o̶d̶l̶e̶
 Back to top
View user's profile Send private message You must be logged in to rate posts

sapstar
Nova Slayer



Joined: 01 Oct 2019
Karma :

PostPosted: 16:58 - 04 Mar 2020    Post subject: Reply with quote

Thanks @NJD. I found the relevant section for the 2015 ER-6N (The one in the picture is the model prior to 2012). The torque settings are 25 on the left and 30 on the right. The torque wrench I bought only starts at 27.... Sad I am going to do 27 on the left and 30 on the right.
____________________
First/Current Bike - Kawasaki ER-6N
 Back to top
View user's profile Send private message You must be logged in to rate posts

NJD
World Chat Champion



Joined: 11 Mar 2015
Karma :

PostPosted: 17:48 - 04 Mar 2020    Post subject: Reply with quote

27 Nm on a 25 Nm torque setting is over torquing it, and that's how things like that welded nut on the back of the bracket become rounded and useless. Its not by much, and I imagine you may get away with it, but not a habit to get into.

25 Nm and 30 Nm can be done by hand, and I'd go with a 1/4 ratchet and the appropriate socket or hex bit etc. Seat it all the way in and then give it a couple of <insert word> on the ratchet to tighten it.

Practice on the 30 Nm one first, tighten it as much as you'd go by hand until it feels like time to stop and then use the torque wrench to see how close you are; and then you'll know if you can do the left hand one without the torque wrench confidently. You'll know if you came close as the torque wrench will "click" instantly.

Be sure to learn how to set the torque wrench up before trying it on the bike first.

If you've got some brake cleaner then clean the threads out where the bolt goes into, and the thread bolt if you can. Loctite on the bolt if needed (sparkling clean first). Cotton buds may help on the internal thread. There is a drill attachment etc perfect for internal threads but that's OTT here.

Whole reason for a torque wrench here is the importance of what its doing: holding the engine in place. Tightening it to right spec will prevent them from vibrating loose over the course of rides and moving about in the frame in a way that it shouldn't -- to the extreme end if not mounted properly.

Better to er on the side of caution, and check bolt after one or two rides than to over tighten and end up at garage asking for them to repair the thread (not difficult but half an hours labour not spend is a good habit to get into).

Use nail varnish to put a dot on the head of the bolt and on the frame of the bike in line with each other once done, and then you'll be able to see if one has moved that its come loose.
____________________
The do it all, T̶h̶e̶ ̶b̶r̶o̶k̶e̶n̶ ̶o̶n̶e̶,̶ ̶T̶h̶e̶ ̶b̶i̶g̶ ̶l̶u̶m̶p̶,̶ ̶C̶h̶o̶n̶g̶ ̶N̶o̶o̶d̶l̶e̶
 Back to top
View user's profile Send private message You must be logged in to rate posts

sickpup
Old Timer



Joined: 21 Apr 2004
Karma :

PostPosted: 19:23 - 05 Mar 2020    Post subject: Reply with quote

How do you strip an m8 thread without noticing?
 Back to top
View user's profile Send private message You must be logged in to rate posts

sapstar
Nova Slayer



Joined: 01 Oct 2019
Karma :

PostPosted: 16:35 - 08 Mar 2020    Post subject: Reply with quote

Thanks @NJD. Followed your instructions and hand tightened the left to roughly 25nm I think and the right to 30 using the torque wrench. I didn't bother removing the nuts again to put the glue, but next time it is in service, I will as the garage to do it properly.

@sickpup this is the first time I am doing any work on the bike myself. The bolts were not budging when I tried to unscrew them. So I used an impact driver I have. This got the bolts out, but unfortunately stripped the nuts. Atleast this is a good learning for me.
____________________
First/Current Bike - Kawasaki ER-6N
 Back to top
View user's profile Send private message You must be logged in to rate posts

Nobby the Bastard
Harley Gaydar



Joined: 16 Aug 2013
Karma :

PostPosted: 17:19 - 08 Mar 2020    Post subject: Reply with quote

sapstar wrote:


@sickpup this is the first time I am doing any work on the bike myself. The bolts were not budging when I tried to unscrew them. So I used an impact driver I have. This got the bolts out, but unfortunately stripped the nuts. Atleast this is a good learning for me.


You span it the wrong way? Shocked

You do know an impact driver goes in two direction?
____________________
trevor saxe-coburg-gotha:"Remember this simple rule - scooters are for men who like to feel the breeze on their huge, flapping cunt lips."
Triumph Sprint ST 1050
 Back to top
View user's profile Send private message You must be logged in to rate posts

sapstar
Nova Slayer



Joined: 01 Oct 2019
Karma :

PostPosted: 19:54 - 08 Mar 2020    Post subject: Reply with quote

Nobby the Bastard wrote:


You span it the wrong way? Shocked

You do know an impact driver goes in two direction?


I am pretty sure, I didn't spin it the wrong way. I was guessing that using impact driver put too much torque which may have caused this as I used it only on the right side where I ended up with problems. On the left, I was able to get the bolts off manually and no problems tightening them.
____________________
First/Current Bike - Kawasaki ER-6N
 Back to top
View user's profile Send private message You must be logged in to rate posts

Nobby the Bastard
Harley Gaydar



Joined: 16 Aug 2013
Karma :

PostPosted: 08:24 - 09 Mar 2020    Post subject: Reply with quote

There no way you would have stripped the thread buy undoing it. Only overtightening them strips them.
____________________
trevor saxe-coburg-gotha:"Remember this simple rule - scooters are for men who like to feel the breeze on their huge, flapping cunt lips."
Triumph Sprint ST 1050
 Back to top
View user's profile Send private message You must be logged in to rate posts
Old Thread Alert!

The last post was made 5 years, 288 days ago. Instead of replying here, would creating a new thread be more useful?
  Display posts from previous:   
This page may contain affiliate links, which means we may earn a small commission if a visitor clicks through and makes a purchase. By clicking on an affiliate link, you accept that third-party cookies will be set.

Post new topic   Reply to topic    Bike Chat Forums Index -> The Workshop All times are GMT
Page 1 of 1

 
You cannot post new topics in this forum
You cannot reply to topics in this forum
You cannot edit your posts in this forum
You cannot delete your posts in this forum
You cannot vote in polls in this forum
You cannot attach files in this forum
You cannot download files in this forum

Read the Terms of Use! - Powered by phpBB © phpBB Group
 

Debug Mode: ON - Server: birks (www) - Page Generation Time: 0.10 Sec - Server Load: 0.47 - MySQL Queries: 14 - Page Size: 126.53 Kb